Manual eléctrico Mitsubishi L200 2007 y 2008 – Diagramas de cableado motor 4D56
Descarga el manual de diagramas eléctricos de la Mitsubishi L200 años 2007 y 2008, en formato PDF, diseñado para mecánicos, electricistas automotrices y talleres que requieren información técnica confiable para diagnóstico y reparación del sistema eléctrico.
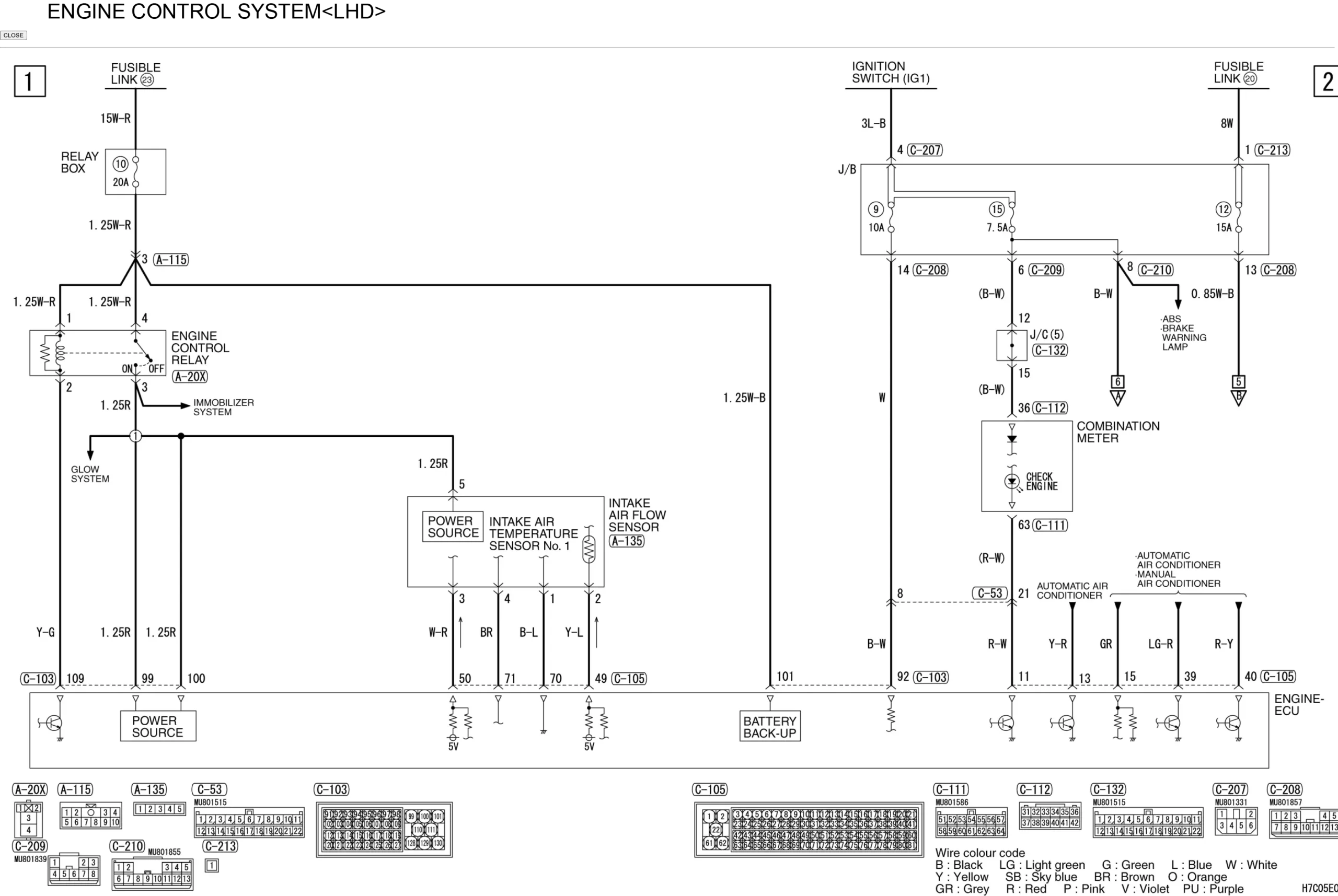
Este manual incluye diagramas eléctricos completos y detallados del sistema del vehículo, permitiendo identificar con precisión el cableado del motor 4D56, ECU, sensores, actuadores, fusibles, relés y puntos de tierra, optimizando tiempos de diagnóstico y evitando errores en reparaciones eléctricas.
Compatibilidad del vehículo
- Marca: Mitsubishi
- Modelo: L200
- Años: 2007 – 2008
- Motor: 4D56
- Tipo de motor: Diésel – 4 cilindros en línea
- Sistema: Inyección diésel
- Transmisión: Manual / Automática
🔧 Motores incluidos
- 4D56 (todas las variantes correspondientes a 2007–2008).
Indice general del manual:
- Ubicaciones de componentes.
- Configuración de diagramas.
- Diagramas eléctricos.
- ABS AND ASC.
- ABS.
- Conección para accesorios.
- Sistema de audio.
- Aire acondicionado automático.
- Lampara de marcha atras.
- CAN.
- Cierre sentralizado de puertas.
- Empalme centralizado.
- Sistema de carga.
- Reloj.
- Zumbador de puerta de advertencia entre abierta.
- Luces de cortesia.
- Sistema de 4WD.
- ELC-4AT.
- Sistema de control del motor. ECM
- Faros antiniebla.
- Calentador de linea de combustible y aceite.
- Sistema de nivelacion de faros.
- lava faros.
- Faros.
- Asientos eléctricos.
- Sistema inmobilizador.
- JB.
- JC.
- Aire acondicionado manual.
- Calibración.
- Estacion de pantalla múltiple.
- Sistema de distribución de energía.
- Elevalunas eléctrico.
- Calentador PTC y en relentí.
- Sistema de bloqueo de diferencial trasero.
- Luces antiniebla.
- Desempañador.
- Espejo con control remoto.
- Luces de habitación.
- Medidor de RV.
- Cinturon de seguridad.
- SRS.
- Sistema de arranque.
- Luz de estacionamiento.
- Techo panorámico.
- Sistema de super select 4WD.
- Luces de giro.
- Lampara de advertencia.
- Limpia parabrisas y lavaparabrisas.
Formato: PDF
Idioma: INGLES Original
Páginas: 285
Tamaño: 58 MB
Descarga inmediata en PDF por Google Drive
El producto es 100% digital, de descarga inmediata, entregado en formato PDF mediante Google Drive. Compatible con computadora, tablet o celular. No se envía material físico.
Verá un enlace de descarga inmediatamente después de que se complete su pago. Asegúrese de que su dirección de correo electrónico sea la correcta.





