Manual eléctrico Nissan Sentra B16 2007 motor 2.0L – Diagramas de cableado automotriz.
Obtén el manual de diagramas eléctricos del Nissan Sentra 2007 2.0L, en formato PDF descargable, ideal para talleres mecánicos, electricistas automotrices y técnicos profesionales que necesitan información confiable para diagnóstico y reparación del sistema eléctrico.
Este producto digital te permite identificar de forma rápida y precisa el cableado del vehículo, sensores, actuadores, ECU/ECM, fusibles y relés, ahorrando tiempo y evitando errores costosos en reparaciones eléctricas.
Aplica a motores:
- L4-2.0L (MR20DE)
Indice Diagramas Eléctricos Nissan Sentra 2007 2.0L:
- Ubicación de los componentes.
- Ubicación de los conectores.
- Ubicación de la conexión a tierra.
- Ubicación del arnés.
- Vistas del conector.
- Fusible
- Diagramas de cableado del Nissan Sentra 2007 2.0L.
- Información e instrucciones sobre diagramas.
- Diagramas por nombre de diagrama
- Distribución de potencia y tierra.
- Sistemas de bolsas de aire.
- Frenos antibloqueo – Control de tracción.
- Sistema antirrobo y de alarma.
- Luz de marcha atrás.
- Sistemas de control de la carrocería.
- Luz de freno.
- Interruptor de luz de freno.
- Interruptor de freno (control de crucero).
- Teléfono celular.
- Sistema de carga.
- Transmisión variable continua – CVT.
- Luz de circulación diurna, techo
- Lámparas antiniebla.
- Lámparas de advertencia de peligro.
- Faros delanteros.
- Elemento calefactable de cristal.
- Calefacción y aire acondicionado.
- Bocina.
- Panel de instrumentos, indicadores.
- Entrada sin llave.
- Luz de la matrícula.
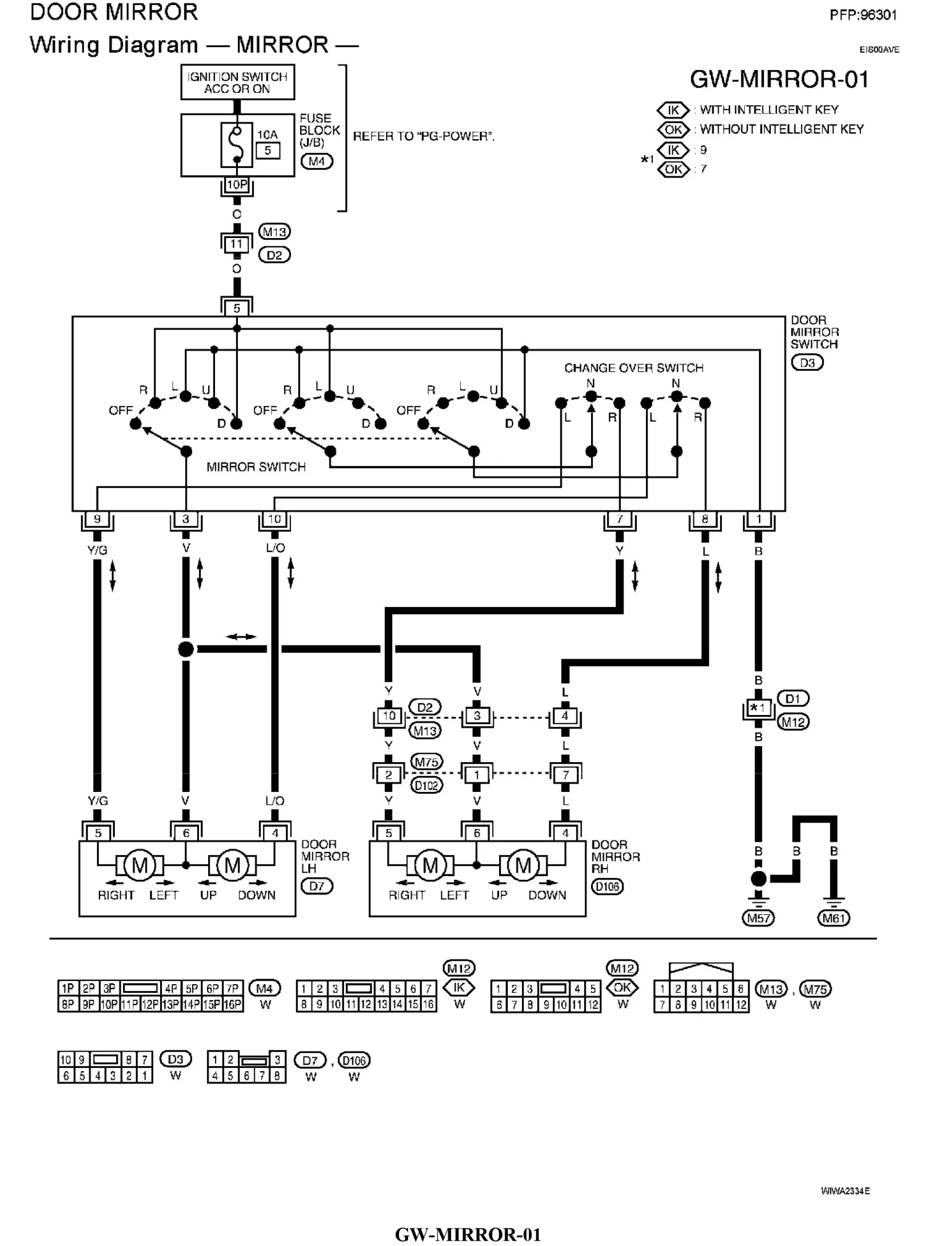
- Espejos retrovisores.
- Cerraduras eléctricas.
- Gestión del tren motriz 2.0L CAN-LAN, encendido, computadora.
- Ventilador del radiador.
- Radio, estéreo.
- Sistema de arranque.
- Dirección.
- Techo corredizo.
- Indicador de temperatura.
- Sistema de monitoreo de neumáticos.
- Sistemas de control de transmisión.
- Intermitentes.
- Ventanas.
- Sistemas de limpiaparabrisas y lavaparabrisas.
Formato: Archivo PDF.
Idioma: Ingles.
Páginas: 530
Tamaño: 230 MB
Importante
Este es un producto digital, no se realizan envíos físicos. Descargar primero para ver en comodidad.
Adquiéralo y descarga de manera inmediata, Ayuda de compra al cliente
Al completar su compra se enviará un enlace de descarga a su correo. Asegúrese de que su dirección de correo electrónico sea la correcta.






Valoraciones
No hay valoraciones aún.