Manual eléctrico Toyota 4Runner 2006 para mecánicos y técnicos automotrices| Manual Eléctrico PDF
Este manual de diagramas eléctricos Toyota 4Runner 2006 V6 4.0L es una herramienta profesional para mecánicos eléctricos, técnicos automotrices y talleres especializados en Toyota. Contiene esquemas detallados para el diagnóstico eléctrico automotriz, reparación de fallas eléctricas y mantenimiento del sistema eléctrico del vehículo.
Incluye diagramas de cableado, rutas de corriente, ubicación de fusibles y relés, conexiones de ECU, sensores, actuadores, sistema de encendido, sistema de carga, iluminación, tablero, aire acondicionado, ABS y sistemas electrónicos principales. Ideal para detectar cortocircuitos, fallas intermitentes y problemas de comunicación eléctrica.
Aplica a motores.
- 2WD, 4WD V6-4.0L (1GR-FE)
Contenido de este manual.
- Ubicación de los componentes.
- Instrucciones de diagramas.
- despiece de las principales partes.
- Vista de conectores.
- Diagramas eléctricos.
- Distribución de energía y tierra.
- Sistemas de bolsas de aire.
- Frenos antibloqueo – Sistemas de control de tracción.
- Sistema antirrobo y de alarma.
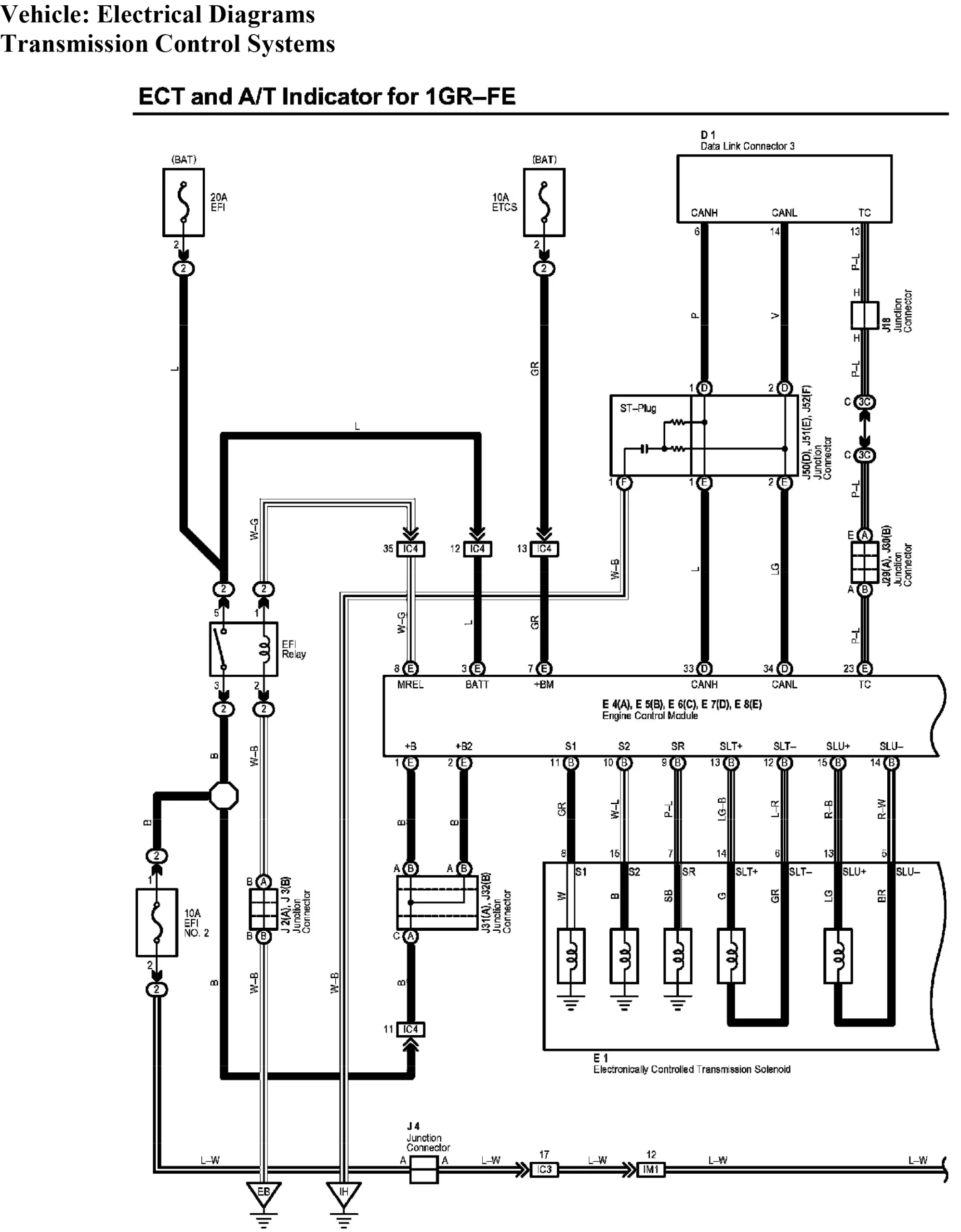
- Transmisión automática – Transeje.
- Luz de reversa, freno.
- Sistema de carga.
- Sistemas de prevención de colisiones y asistencia al estacionamiento.
- Luz de cortesía.
- Control de crucero.
- Luces de circulación diurna, antiniebla,.
- Transmisor del abridor de puertas de garaje.
- Faro delantero.
- Elemento de cristal con visor.
- Calefacción y aire acondicionado.
- Bocina.
- Panel de instrumentos, indicadores e indicadores de advertencia.
- Entrada sin llave.
- Luz de la matrícula.
- Sistemas de posicionamiento con memoria.
- Espejos eléctricos.
- Sistema de navegación.
- Cerraduras eléctricas.
- Radio estéreo.
- Gestión del tren motriz. (ECM)
- Solenoide de reducción del tensor del cinturón de seguridad.
- Asientos.
- Sistema de arranque.
- Techo corredizo.
- Control de suspensión (automático).
- Luz trasera.
- Sistema de Monitoreo de Neumáticos.
- Luces del Remolque
- Caja de Transferencia.
- Sistema de Control de Transmisión.
- Señales de Giro.
- Ventanas.
- Sistemas de Limpiaparabrisas y Lavaparabrisas.
Descarga inmediata en PDF por Google Drive
El producto es 100% digital, de descarga inmediata, entregado en formato PDF mediante Google Drive. Compatible con computadora, tablet o celular. No se envía material físico.
Información importante sobre el archivo .ZIP
El archivo se entrega comprimido en formato .ZIP. Para acceder a los diagramas eléctricos PDF, es necesario descomprimir el archivo usando WinRAR, 7-Zip o el descompresor del sistema operativo. Una vez extraído, podrás abrir los documentos sin conexión.
Formato: Archivo PDF (.Zip).
Idioma: Ingles.
Páginas: 429, Tamaño: 154 Mb
Adquiéralo y descarga de manera inmediata, Ayuda de compra al cliente
Al completar la compra se enviará un enlace de descarga a su correo. Asegúrese de que su dirección de correo electrónico sea la correcta.






