Diagrama Eléctrico Toyota Highlander 4WD 2.4L 2002 (2AZ-FE) – Descargable en PDF
Diagramas Eléctricos Toyota Highlander 2.4L 2002 (2AZ-FE); ¿Necesitas diagnosticar fallas eléctricas o realizar reparaciones en tu Toyota Highlander 4WD 2002 motor 2.4L (2AZ-FE)? Este diagrama eléctrico digital es la herramienta ideal para mecánicos, técnicos automotrices y propietarios que desean trabajar con información exacta, clara y confiable.
Contenido del archivo (incluye índice navegable)
- Ubicación de conectors
- Diagramas.
- Distribución de energía y tierra, relé fusible.
- Compartimento del motor.
- panel de instrumentos.
- Frenos antibloqueo – Sistemas de control de tracción.
- Sistemas antirrobo y de alarma.
- Transmisión automática – Transeje.
- Luz de reversa.
- Luz de freno.
- Lámpara de cortesía.
- Control de crucero.
- Luz antiniebla.
- Faro delantero.
- vidrio calefactado.
- Calefacción y aire acondicionado.
- Panel de instrumentos – Portaequipajes.
- Recordatorio de llave y advertencia del cinturón de seguridad.
- Entrada sin llave.
- Módulo de control de luces.
- Espejos.
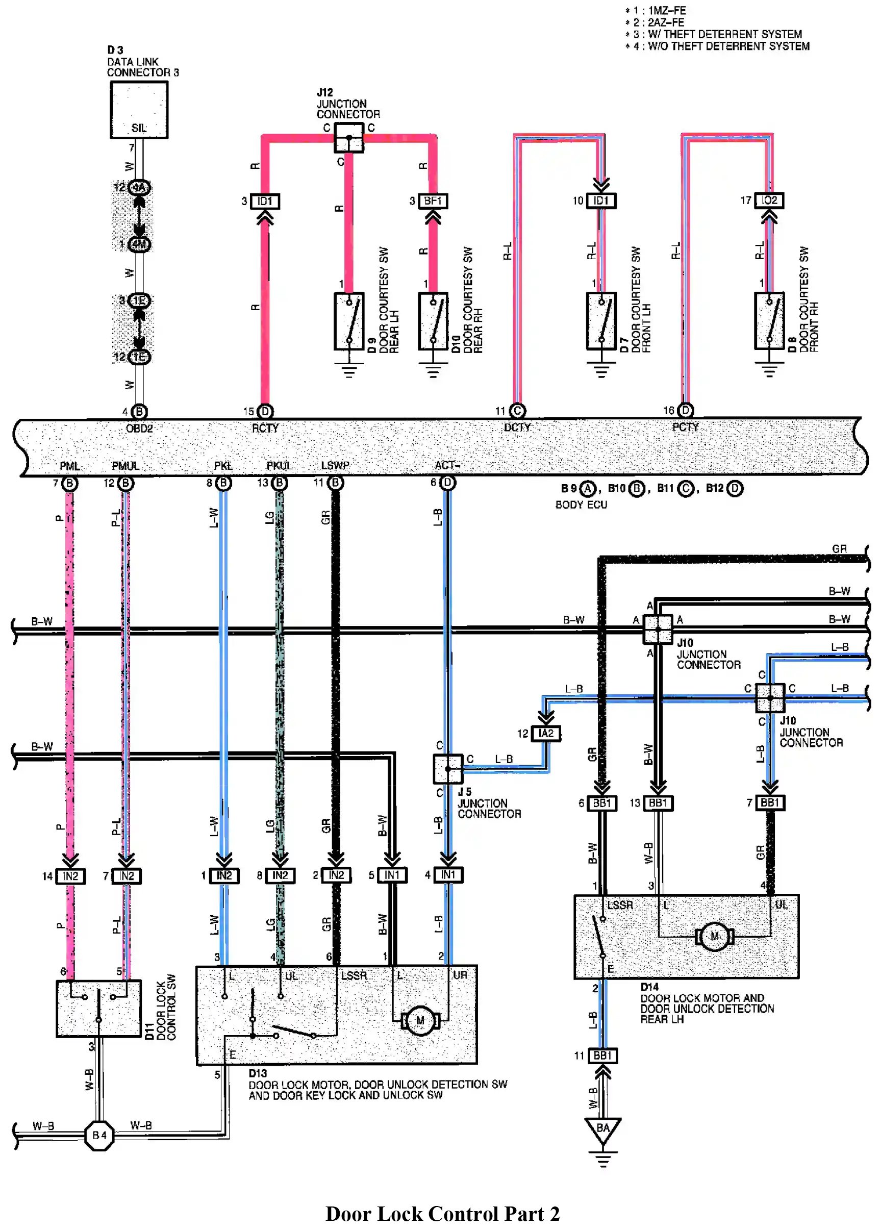
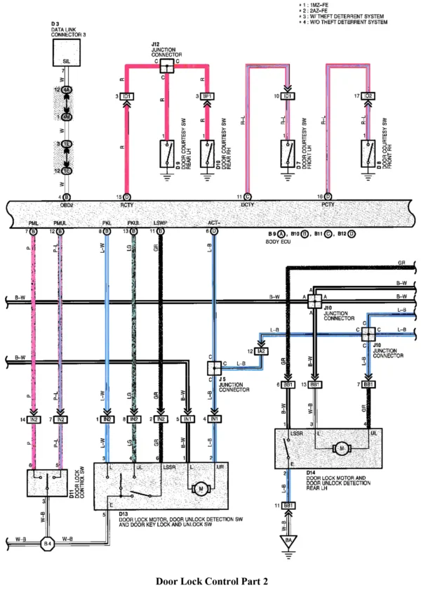
- Cerraduras eléctricas.
- Gestión del tren motriz ECM.
- Motor del ventilador de refrigeración del radiador.
- Radio, estéreo y CD.
- Sistemas de sujeción y seguridad.
- Recordatorio de llave y advertencia del asiento.
- Asientos.
- Sistema de arranque.
- Techo corredizo.
- Sistemas de control de la transmisión.
- Intermitentes.
- Ventanas eléctricas.
- Sistemas de limpiaparabrisas y lavaparabrisas.
- Manguera de vacío y vapor.
- Componente.
- Conectores.
- Fusibles y enlaces fusibles.
Ventajas de Diagramas Eléctricos Toyota Highlander 2.4L 2002 (2AZ-FE)
- 100% digital en PDF, descarga inmediata.
- Ideal para reparar, diagnosticar y hacer mantenimiento.
- Compatible con cualquier dispositivo: PC, laptop o celular.
- Información original, clara y fácil de seguir.
¿Para quién es?
Para mecánicos, estudiantes de mecánica automotriz y propietarios que buscan resolver fallas eléctricas, identificar cables o verificar conexiones del motor y sistema 4×4.
Formato: Archivo PDF (.zip Comprimido.)
Idioma: Ingles.
Páginas: 389, Tamaño: 106 Mb
Entrega inmediata
Luego de tu compra, recibirás el enlace de descarga directa al correo que registres.



