Diagramas Eléctricos Dodge RAM 1500 2003 | Manual Completo de Conectores, Fusibles, Componentes y cableado.
Diagramas Eléctricos Dodge RAM 1500 2003, manual competo, ¿Estás buscando un manual de diagramas eléctricos? ¡Este es el recurso definitivo para ti!. Incluye diagramas a todo color y completamente detallados para los motores 3.7L, 4.7L y 5.7L.
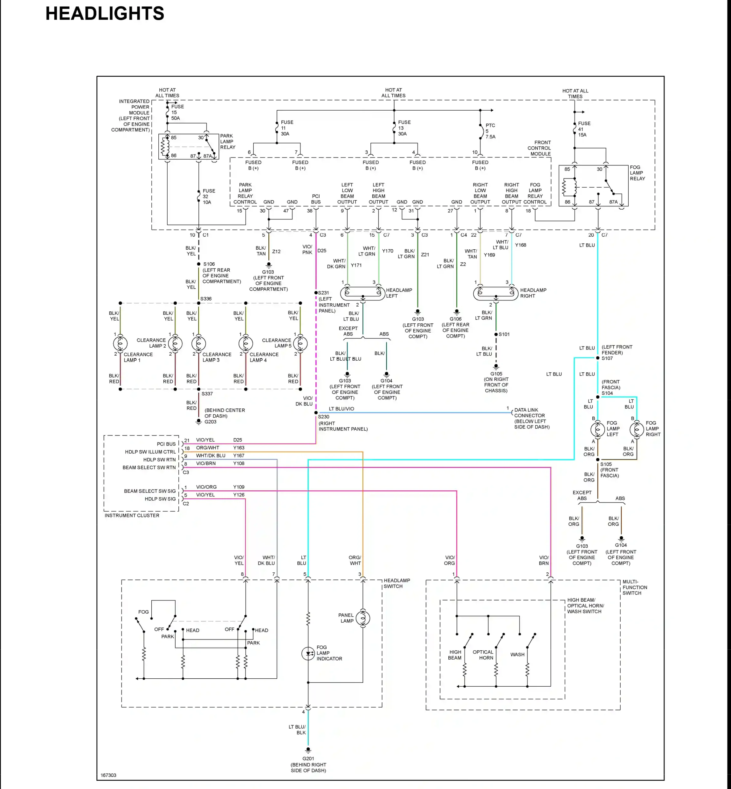
🔧 Lo que encontrarás en este manual Diagramas Eléctricos Dodge RAM 1500 2003:
- Fusibles y diagramas detallados para asegurar un mantenimiento correcto..
- Diagramas eléctricos completos para todas las versiones de tu RAM 1500.
- Conectores PIN OUT para un diagnóstico preciso de los sistemas eléctricos.
- Ubicación de componentes eléctricos para facilitar las reparaciones.
Este manual está diseñado para ayudarte a ahorrar tiempo, evitar errores y realizar diagnósticos precisos en los sistemas eléctricos de tu Dodge RAM 1500 2003. Perfecto para mecánicos y propietarios que desean realizar mantenimiento de calidad.
📚 Optimiza tus reparaciones y mantén tu RAM en perfecto estado con diagramas eléctricos fáciles de seguir.
Aplica a motores.
- 3.7L
- 4.7L
- 5.7L
Lo que encontrarás en este manual.
Usted encontrará en el contenido de este archivo PDF.
- Ubicaciones de los componentes.
- Pin-Out
- Distribución de energía.
- Fusibles y disyuntores.
- Sistema de inicio.
- Diagramas de cableado R1500.
- Aire Acondicionado.
- Frenos antibloqueo.
- Sistema Antirrobo.
- Módulos de control de la carrocería.
- Líneas de datos de computadora., Data Link DLC.
- Control de crucero.
- Desempañadores.
- Diagramas del motor ECM 3.7, 4.7, 5.7. (Engine Performance)
- Luces exteriores.
- Distribución de tierra.
- Faros.
- Panel de instrumentos.
- Luces interiores.
- Restricciones pasivas.
- Distribución de energía.
- Cerraduras eléctricas para puertas.
- Espejos eléctricos.
- Asientos eléctricos.
- Ventanas Eléctricas.
- Radio.
- Interbloqueo de cambios.
- Inicio de carga.
- Restricciones suplementarias.
- Transmisión.
- Sistema de seguridad.
- Limpiaparabrisas.
Formato: Archivo PDF.
Idioma: Ingles.
Páginas: 540, Tamaño: 156 Mb
Envío.
Adquiéralo, una vez completado el pago usted verá la descarga de manera inmediata, del mismo modo se enviará a su correo electrónico que consignó al momento de la compra: Ayuda de compra al cliente








Valoraciones
No hay valoraciones aún.