Diagramas Eléctricos Isuzu Truck NPR L4-5.2L DSL Turbo (4HK1), completo PDF.
Diagramas Eléctricos Isuzu Truck NPR L4-5.2L DSL Turbo (4HK1) 2011 – 2013 en formato PDF completo. Este manual es una herramienta esencial para propietarios, mecánicos y aficionados que deseen comprender y reparar el sistema eléctrico de estos modelos de vehículos.
Características:
- Compatible: Camión NPR L4-5.2L DSL Turbo (4HK1).
- Formato PDF: Fácil de descargar y usar en cualquier dispositivo.
- Contenido Completo: Diagramas eléctricos detallados para todos los sistemas del vehículo.
Aplica a motores.
- NPR L4-5.2L DSL Turbo (4HK1)
Contenido de este manual.
- Ubicación de los componentes.
- Lista de componentes A-Z.
- Lista de identificación de componentes B-5 a X-30.
- Ubicaciones de empalmes.
- Diagramas Eléctricos.
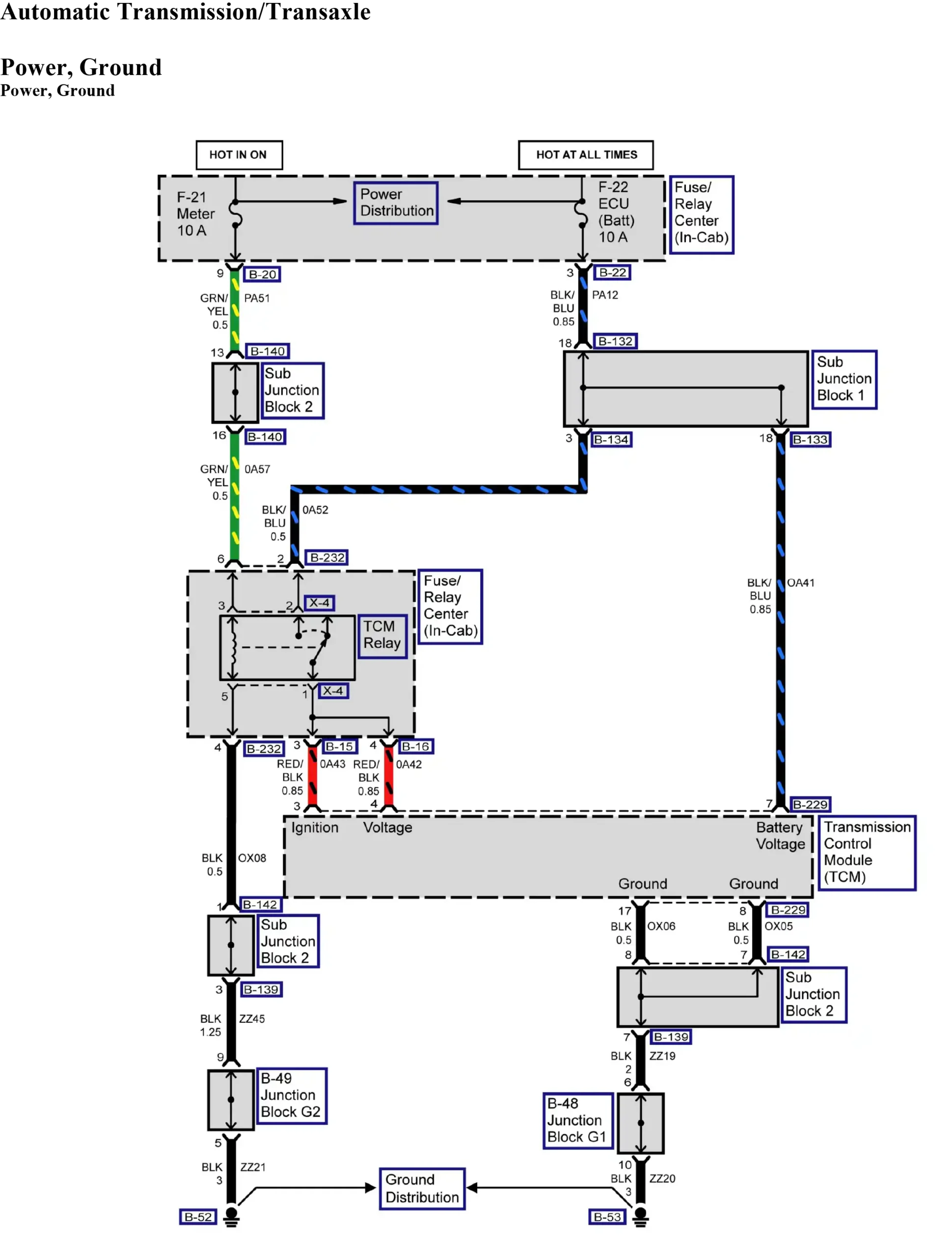
- Distribución de energía y tierra.
- Transmisión automática – Transeje.
- Transmisión manual – Transeje.
- Sistema de Frenos y control de tracción – Antibloqueo.
- Sistema de carga.
- Sistema de refrigeración.
- Control de crucero.
- Freno de escape.
- Calefacción y aire acondicionado.
- Panel de instrumentos, indicadores y advertencias.
- Iluminación y bocinas.
- Espejos.
- Opción par avehículso especiales.
- Cerraduras eléctricas de puerta.
- Toma de fuerza.
- GESTIÓN DEL TREN MOTRIZ (DLC, BUS…).
- Radio, estéreo.
- Sistema de arranque.
- Sistema de remolque.
- Ventanas.
- Sistema de limpiaparabrisas y lavaparabrisas.
Formato: Archivo .Zip PDF.
Idioma: Ingles.
Páginas: 980, Tamaño: 284 Mb
Descarga inmediata en PDF por Google Drive
El producto es 100% digital, de descarga inmediata, entregado en formato PDF mediante Google Drive. Compatible con computadora, tablet o celular. No se envía material físico.
Información importante sobre el archivo .ZIP
El archivo se entrega comprimido en formato .ZIP. Para acceder a los diagramas eléctricos PDF, es necesario descomprimir el archivo usando WinRAR, 7-Zip o el descompresor del sistema operativo. Una vez extraído, podrás abrir los documentos sin conexión.
Adquiéralo y descarga de manera inmediata, Ayuda de compra al cliente
Al completar la compra se enviará un enlace de descarga a su correo. Asegúrese de que su dirección de correo electrónico sea la correcta.





